
В данной статье приведены фотографии наиболее популярных способов монтажа крыльчаток охлаждения электродвигателей

Рассказываем, как нам удалось реализовать синхронную работу частотных преобразователей M-driver с взаимной блокировкой на кран-балке

Коды ошибок частотных преобразователей M-driver M900M и M900G и пути их решения

Частотный преобразователь является незаменимым устройством при реализации задач водоснабжения объектов разливного уровня: от небольшого дачного кооператива, до снабжения питьевой водой больших населенных пунктов. В этой статье мы рассмотрим основные схемы управления насосами и особенности настройки частотных преобразователей бренда M-driver.

Рассказываем про особенности настройки частотного преобразователя бренда M-driver с электроконтактным манометром (ЭКМ)

Интересную задачу по автоматизации производства сыра пришлось решать нашим инженерам. Клиент хотел, чтобы частотный преобразователь управлял скорость вращения вентилятора охлаждения в зависимости от температуры.

Очень часто у клиентов, которые впервые запускают частотные преобразователи в режиме поддержания давления, возникают вопросы с нормированием аналогового входа при подключении датчика давления.

Как подключить несколько моторов к одному частотному преобразователю? Описано на примере частотников M-driver/Gertrz

При выборе устройства плавного пуска SAFESAVE SSR необходимо руководствоваться определенными правилами. В этом мы постараемся разобраться в этой статье.

В чем разница между такими популярными понятиями как вентиляция и кондиционирование воздуха. В этом мы постараемся разобраться в этой статье.

Интересная схема реверсивного управления асинхронным электродвигателем с короткозамкнутым ротором.

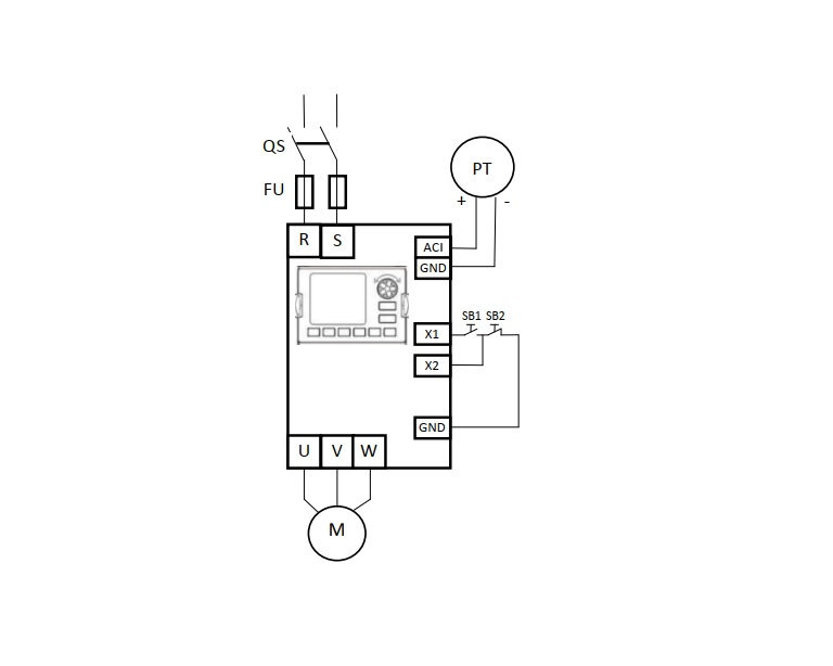
Управление приводом насоса с использованием встроенной функции ПИД регулирования. Дистанционный ПУСК, СТОП при помощи кнопок. Стабилизация давления с использованием датчика 4-20 мА.

При эксплуатации скважинного насоса с частотным преобразователем необходимо помнить, что существует допустимый диапазон частот питающего напряжения, обусловленный конструктивными особенностями насоса.

Электромеханическое преобразование энергии в электрических двигателях сопровождается выделением тепла в активных частях машины.

При наращении правил эксплуатации и некорректно выбранном аппарате защиты электродвигатель может испытывать значительные термические перегрузки, которые в конечном счете приведут к перегреву статорных обмоток.

Подробно рассказано о том, какие вентиляционные узлы были на советских электродвигателях

Подробно рассказано о том, какие вентиляционные узлы были на советских электродвигателях