
К нам обратился клиент, у которого некорректно работал частотный преобразователь Danfoss на перемещении кран-балки. Ход крана обеспечивался двумя моторами с номинальными токами по 22,8 А.



Технический персонал заказчика нормальной работы данного привода добиться не смог — поэтому было решено заменить данный преобразователь частоты на два новых бренда M-driver по 15 кВт вместо одного старого 30 кВт.
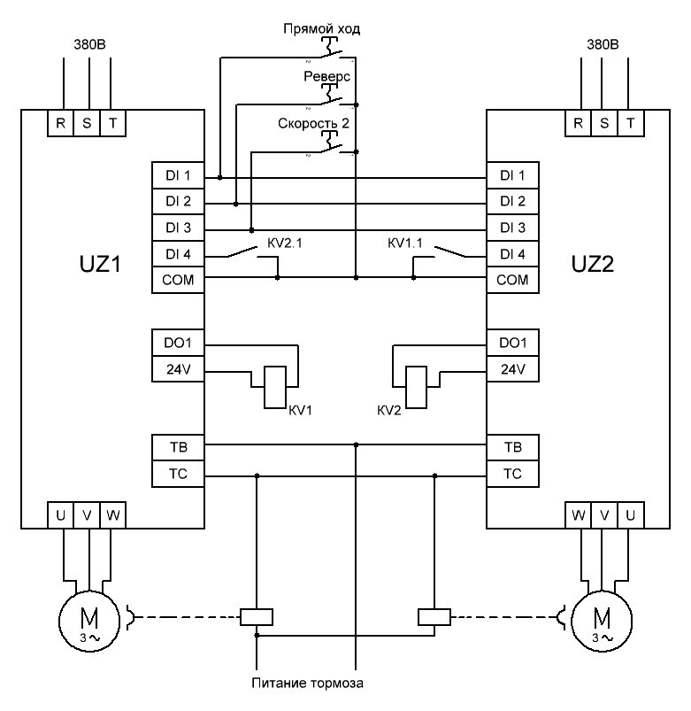
Требования заказчика были следующими: управление должно осуществляться дистанционно с имеющегося радиопульта, и обеспечивать прямой ход кран, реверс и предусмотреть переход на вторую скорость.
Контакты от переключателя “Прямой ход” и “Реверс” подключили к клеммам DI1, DI2 и COM. Для реализации возможности использования скорости 2 подключили контакт “Скорость №2” к клемме DI3 и COM.
Зависимость функций ПУСК, СТОП и РЕВЕРС от состояния переключателей указана в таблице состояний.
|
№ |
Прямой ход |
Реверс |
Состояние |
|
1 |
0 |
0 |
СТОП |
|
2 |
1 |
0 |
ПУСК |
|
3 |
0 |
1 |
РЕВЕРС |
|
4 |
1 |
1 |
СТОП |
Для синхронно работы частотных преобразователей без обратной связи были сделаны полностью аналогичные настройки на обоих приводах. Чтобы наличие и уровень управляющих сигналов не зависел от состояния дополнительных управляющих реле было решено объединить клеммы COM на обоих приводах и одним переключателем подавать команды сразу на два частотных преобразователя.
Структурная схема электрических соединений приведена ниже:

Каждый электродвигатель оборудован собственным электромеханическим тормозом, управление которым было реализовано через релейных выход частотного преобразователя TB-TC (NC контакт). При переходе частотного преобразователя в состояние “Работа” или при достижении какого-то минимального уровня выходной частоты тормоз отпускается. Причем если хоть в одном из частотных преобразователей случается условие, при котором тормоз должен сработать, то тормоза срабатывают сразу на обоих моторах. Контакты релейных выходов каждого частника подключены параллельно.
Важным моментом являлось обеспечение взаимной блокировки при выходе одного из приводов в ошибку (проблемы с частотным преобразователем, мотором, питанием и т.д.). Для этой цели был задействован свободный транзисторный выход DO1, который настроили на состояние “Авария”. При неисправности одного из приводов должен сработать транзисторный выход соответствующего частотного преобразователя, который через промежуточное интерфейсное реле подаст сигнал внешней аварии на вход DI4 второго частотного преобразователя. Таким образом обеспечивается взаимная блокировка частотного преобразователя привода одного мотора при наличии неисправности в цепи второго мотора.
В ходе модернизации были использованы:
1) Частотные преобразователи M-driver M900-0150U3 15 кВт 32 А, 380В, тормозной прерыватель
2) Тормозные резисторы LCR-1,5KW/32R
Видео реализации алгоритма предоставлено по ссылке