
Каталог Устройства плавного пуска SAFESAVE SSR (eng)
Инструкция Устройства плавного пуска SAFESAVE SSR (rus)
Напряжение питания: 220 В / 400 В / 500 В
Управляющее напряжение: 100-244 В переменного тока
Номинальная мощность: 0,75 кВт при 400 В
Номинальный ток: 1,5 А при 400 В
Габаритные размеры (Ш/В/Г): 92/175/95 мм
Байпас: встроен
Диапазон рабочих температур: 0...+50 градусов
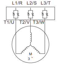
"треугольник"
"звезда"
"внутри треугольника"



Плавный разгон и останов электродвигателя, защита (от перегрузки по току; тепловая защита, от дисбаланса фазных токов, от пропадания одного либо двух фазных напряжений, от неправильного чередования фаз, от перегрева УПП)