
Напряжение питания: 380В
Номинальная мощность: 11 кВт
Номинальный ток: 25 А
Габаритные размеры (Д/Ш/В): 114/192/228 мм
Выходная частота: 0-500 Гц
Перегрузочная способность: 150 % на 1 мин, 180 % на 3 с
Тормозной прерыватель отсутвует
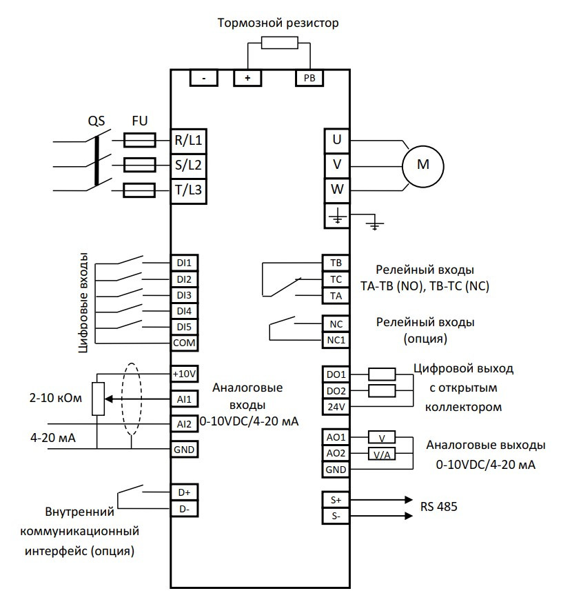
5 дискретных входов
2 аналоговых входа (0-10В/4-20 мА)
2 аналоговых выход (0-10В/4-20 мА)
1 релейный выход + 1 (опция)
2 транзисторных выхода
блоки питания 10 VDC, 24 VDC
Modbus RTU
схема общая для всей линейки частотных преобразователей и может незначительно отличаться для данной модели

Векторное/скалярное управление, PID-регулятор, каскадное управление группой насосов, АВР насосами, многоскоростное управление, режим "сна", режим автозапуска, режим защиты от заморозки, защита от гидравлического прорыва, протокол Modbus RTU (RS-485), автоматическое восстановление после отказ, встроенный ПЛК, счетчик, таймеры, запись последних неисправностей и параметров работы привода при этом, съемная панель управления и т. д.