
Краткая инструкция по запуску
Полная инструкция
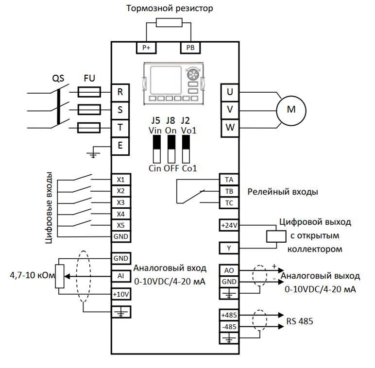
Каталог Canroon CV800
Частотный преобразователь Canroon CV800 прекрасно подходит для управления скоростью вращения электродвигателей для большинства типов нагрузок и режимов управления.
Что он умеет:
1) ПИД-регулирование с обратной связью по значению аналогового входа 0/4-20 мА (0-10 В)
2) Режим "сна" (с временной задержкой) и режим "тревожного сна" (мгновенное пробуждение)
3) Ступенчатое многоскоростное управление
4) Протокол Modbus RTU (RS-485)
5) Управление местное, дистанционное или по протоколу связи
6) Встроенный тормозной модуль
7) Набор всех необходимых защит электродвигателя, частотного преобразователя и цепей управления
8) Лакированные платы
9) Функция дистанционного управления при помощи стандартной панели. Не нужно докупать ни каких рамок и специальных кабелей. Панель фиксируется на поверхности при помощи двух винтов, а кабель представляет собой зеркально обжатый обычный патч-корд

