
Краткая инструкция по запуску 900G
Полная инструкция 900G
Частотный преобразователь M-driver M900U представляет собой модификацию M900G и отличается встроенным тормозным прерывателем. У серии M900G тормозной прерыватель встроен до мощности 5.5 кВт 380В.
Частотный преобразователь M-driver M900U прекрасно подходит для управления скоростью вращения электродвигателей для большинства типов нагрузок и режимов управления.
Что он умеет:
1) ПИД-регулирование с обратной связью по значению аналогового входа 0/4-20 мА (0-10 В)
2) Режим "сна", режим автозапуска, режим защиты от заморозки, защита от гидравлического прорыва
3) Ступенчатое многоскоростное управление
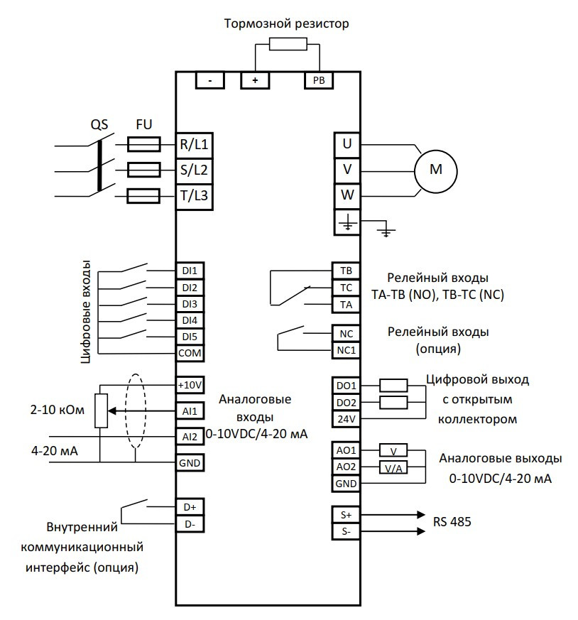
4) Протокол Modbus RTU (RS-485)
5) Управление местное, дистанционное или по протоколу связи
6) Встроенный тормозной модуль до 5,5 кВт включительно
7) Набор всех необходимых защит электродвигателя, частотного преобразователя и цепей управления
9) Каскадное управление группой насосов
10) АВР по насосам
11) Съемная панель управления
Модельный ряд:
Входное напряжение 3 фазы 380В
M900-0075U3 7,5 кВт 16 А, 380В, тормозной прерыватель
M900-0110G3 11 кВт 25 А, 380В, тормозной прерыватель
M900-0150G3 15 кВт 32 А, 380, тормозной прерыватель
Входное напряжение 1 фаза 220В
900-0040G1 4 кВт кВт 18 А, 220В
