
Краткая инструкция по запуску 900G
Полная инструкция 900G
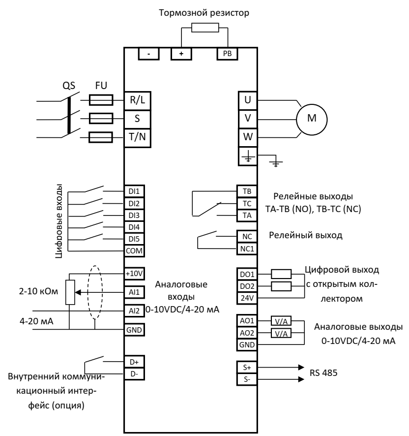
Высокопроизводительный частотный преобразователь M-driver M900A со степенью защиты оболочки IP54 и встроенным ЭМС-фильтром прекрасно подходит большинства общепромышленных применения.
Что он умеет:
1) Степень защиты оболочки IP 54. Пыль не может проникнуть в таком количестве, чтобы нарушить нормальную работу устройства, защита от брызг воды, падающих под любым углом (например, дождь, брызги из шланга, но не сильные струи).
2) Встроеный ЭМС-фильтр
3) ПИД-регулирование с обратной связью по значению аналогового входа 0/4-20 мА (0-10 В)
4) Режим "сна", режим автозапуска, режим защиты от заморозки, защита от гидравлического прорыва
5) Ступенчатое многоскоростное управление
6) Протокол Modbus RTU (RS-485)
7) Управление местное, дистанционное или по протоколу связи
8) Встроенный тормозной модуль до 37 кВт
9) Набор всех необходимых защит электродвигателя, частотного преобразователя и цепей управления
10) Каскадное управление группой насосов
11) Съемная панель управлени
Модельный ряд:
M-driver M900-0007A3 0,75 кВт 2,1 А, 380В, ЭМС-фильтр
M-driver M900-0015A3 1,5 кВт 3,7 А, 380В, ЭМС-фильтр
M-driver M900-0022A3 2,2 кВт 5,1 А, 380В, ЭМС-фильтр
M-driver M900-0030A3 3 кВт 7 А, 380В, ЭМС-фильтр
M-driver M900-0040A3 4 кВт 9 А, 380В, ЭМС-фильтр
M-driver M900-0055A3 5,5 кВт 13 А, 380В, ЭМС-фильтр
M-driver M900-0075A3 7,5 кВт 17 А, 380В, ЭМС-фильтр
M-driver M900-0110A3 11 кВт 25 А, 380В, ЭМС-фильтр
M-driver M900-0150A3 15 кВт 32 А, 380В, ЭМС-фильтр
M-driver M900-0185A3 18,5 кВт 37 А, 380В, ЭМС-фильтр
M-driver M900-0220A3 22 кВт 44 А, 380В, ЭМС-фильтр
M-driver M900-0300A3 30 кВт 60 А, 380В, ЭМС-фильтр
M-driver M900-0370A3 37 кВт 75 А, 380В, ЭМС-фильтр
Входное напряжение 1 фаза 220В
M-driver M900-0007A1 0,75 кВт 4 А, 220В
M-driver M900-0015A1 1,5 кВт 7 А, 220В
M-driver M900-0022A1 2,2 кВт 10 А, 220В
M-driver M900-0040A1 4 кВт 18 А, 220В
